广州蓝麦草信息科技有限公司
首页
企业简介
产品大全
联系我们
企业信息
访客留言
产品大全
Product
集成电路卡插座产品信息——慈溪市烨鑫电子厂
上海集成电路设计研究中心 推动集成电路设计创新的核心力量
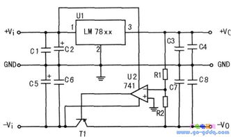
采用78系列稳压集成电路设计的跟踪电源电路
从0开始学习Cadence Virtuoso 反相器Layout与后仿真实践笔记
模拟集成电路设计与仿真 从理论到实践的关键步骤
CMOS集成电路设计中逻辑门电路分析与软件开发
继电器工作原理、驱动电路及主要产品技术参数与集成电路设计
集成电路与软件开发的未来发展方向及相关概念股分析
政策速递 集成电路产业及软件开发企业所得税减免新政发布
香洲芯时代,一起向未来出发——集成电路设计新篇章
Verilog HDL 设计与综合 数字集成电路设计方法概述 Part 3 - 软件开发
功率集成电路中过热保护电路的设计与软件开发
以太网供电浪涌保护电路设计方案详解
模拟CMOS集成电路设计入门学习 第16讲 软件开发
TDA2030A与NE5532功放电路的制作与设计及软件开发
EE618 CMOS模拟集成电路设计 软件开发工具与应用
迷你报警系统集成电路设计
一文看懂集成电路的设计流程
炬丰科技在0.15μm氮化镓(GaN)微波集成电路设计中的创新与应用
Verilog HDL数字集成电路设计原理与应用第二版电子书下载与软件开发指南
如若转载,请注明出处:http://www.517517sc.com/product/list-4.html
第一页
上一页
1
2
3
4
5
下一页